天天干干-亚洲天堂男人天堂-高h在线观看-亚洲一区在线观看视频-美女扒开腿让男人捅-日本三级视频网站-青青草97-free黑人多人性派对hd-米奇影音-第一福利网站-在线免费观看日本-2022精品国偷自产免费观看-夜夜嗨一区二区-亚洲制服一区-国产精华7777777

?

熱門關鍵詞: 高壓開關動作特性測試儀 斷路器特性測試儀 變壓器綜合測試系統 承裝承試設備選型 高壓開關測試儀 變壓器綜合測試 串聯諧振

聯系我們

及時聯系我們為您解答產品相關疑問 歡迎撥打全國統一服務熱線

銷售電話: 027-8777 1781
                027-8777 1782
服務電話 133 9713 6633 
傳真電話: 027-8777 1786
電子郵箱: whhdgk@126.com

高壓斷路器動作時間的測量方法

您的位置:首頁 >> 服務支持 >> 技術文章

 目前斷路器在正常使用期間,維護量很少,尤其是SF6斷路器、真空斷路器等,基本上屬于免維護型,本體和液壓機構不解體。但現場還是需要按《規程》定期維護。每5年進行操作試驗就是其中維護內容,測量分合閘時間和分合閘不同步程度等。
    一、動作時間定義
    1.固有分閘時間。它是由發布分閘命令(指分閘回路接通)起到滅弧觸頭剛分離的一段時間。
    2.合閘時間。它是由發布合閘命令(指合閘回路接通)起到最后一相的主滅弧觸頭剛接觸為止的一段時間。
    3.分閘和合閘同步差。它是指分閘或合閘時三相之差。
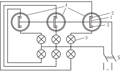
    二、時間測量方法
    1.用電秒表測量法或周波計數器測量法測量分合閘時間,測量接線圖如圖1-1所示。

斷路器分、合閘時間測量原理接線圖
圖1-1所示 斷路器分、合閘時間測量原理接線圖
(a)分閘時間測量;(b)合閘時間測量
1-電秒表;2-開關觸頭;3-分閘繞組;4-合閘繞組;5-開關;電源開關

 圖1-1(a)中,先合開關5.然后合電源開關6,電秒表1和分閘繞組3的電路同時接通,電秒表1開始計時;而同時分閘繞組起動斷路器分閘,而開關觸頭2分開,電秒表因電源停電而停止計時,此時電秒表記錄的時間即為斷路器的固分時間。如圖1-2(b)所示,先合開關5,后合開關6,此時合閘繞組4和電秒表1同時接通,電秒表開始計時,當斷路器的動觸頭接通時,電秒表停止計時,此時電秒表記錄的時間為斷路器的合閘時間。
    電秒表雖然簡單,但因受電秒表本身的啟動時間和電源開關不同步等給測量帶來誤差,使分散性較大,應該至少測3次,取其平均值。但沒有更先進的測量儀器時,測量比較簡單。
    2.三相同步差的測量方法。
    (1)可人工慢分、慢合開關,可用各相行程的差值近似估算斷路器動作的同步差,接線圖如1-2所示。

用燈亮法測量斷路器的同步差接線圖
圖1-2 用燈亮法測量斷路器的同步差接線圖
1-斷路器動觸頭;2-斷路器靜觸頭;3-燈泡;4-斷路器

 燈泡3與斷路器4的動、靜觸頭串聯,合上電源開關S,觀看慢分、慢合過程中燈泡亮暗先后次序,也就是各相動靜觸頭接觸或分離的先后次序,用直尺量各相的行程差,以此來大概估算三相動作的同步差。
    (2)對于快速斷路器,應采用示波器錄波或數字式毫秒表測量同步差,可得到準確結果。測量接線圖如圖1-4和1-5所示。目前使用的光線示波器,也不用沖洗膠卷,直接在感光線上用日光燈或太陽光照射即可,非常方便。
    用示波圖可以計算分合閘和不同時期。如時間tab,為ab段所跨越的時標周波數乘以時標的周期T。時標頻率f=1000Hz,則周期T=1/f=1(ms),即tab=nT(ms).其中,n為ab段所跨越的時標周波數。
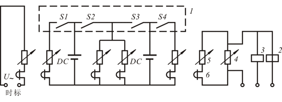
    三相斷路器也可以按圖1-3接線進行測量。這樣二次錄波,就可以把分合閘和同步差測量出來。

用電磁示波器測量斷路器動作時間原理接線圖
圖1-3 用電磁示波器測量斷路器動作時間原理接線圖
1-斷路器;2-分閘繞組;3-合閘繞組;4-分流器;5-分壓器;
6-示波器振子;S1~S4-斷口;DC-電池
斷路器分閘錄波圖
圖1-4 斷路器分閘錄波圖
1~4-斷口的波形;5-分閘電流線;6-時標;tab-分閘時間;tbc-分閘同步差
斷路器合閘錄波圖
圖1-5 斷路器合閘錄波圖
1~6-斷口的波形;7-合閘電流線;tab+tbc-合閘時間;tbc-合閘同步差。

 3.專門斷路器動特性測試儀測量。
    目前,由于科技的發展,對斷路器特征測量制造出多種型號的整套測量儀器,不但使用方便,而且測量數據準確;一臺開關動特性測試儀,可以測量各種參數。如GKC-802斷路器動作特性測試儀,適合各種斷路器測量分、合閘時間、同期性;合分閘瞬時、平均及最大速度,以及升距、超距等;還能測量彈跳時間、次數及彈跳最大幅度等。


有關產品購買、信息咨詢、技術資料等歡迎致電:027-87771780
來源:華電高科官方網站
上一篇: 少油高壓斷路器絕緣電阻的測量方法
下一篇: 高壓斷路器交流耐壓試驗方法
版權說明:本站所有文章、圖片、視頻等資料的版權均屬于武漢華電高科電氣設備有限公司,其他任何網站或單位未經允許禁止轉載、用于商業盈利,違者必究。如需使用,請與我們聯系;允許轉載的文章、圖片、視頻等資料請注明出處"來自:武漢華電高科"。

榮譽客戶

榮譽資質

?
<!--百度商橋代碼(2019-7-16添加)-->