天天干干-亚洲天堂男人天堂-高h在线观看-亚洲一区在线观看视频-美女扒开腿让男人捅-日本三级视频网站-青青草97-free黑人多人性派对hd-米奇影音-第一福利网站-在线免费观看日本-2022精品国偷自产免费观看-夜夜嗨一区二区-亚洲制服一区-国产精华7777777

?

熱門關鍵詞: 高壓開關動作特性測試儀 斷路器特性測試儀 變壓器綜合測試系統 承裝承試設備選型 高壓開關測試儀 變壓器綜合測試 串聯諧振

聯系我們

及時聯系我們為您解答產品相關疑問 歡迎撥打全國統一服務熱線

銷售電話: 027-8777 1781
                027-8777 1782
服務電話 133 9713 6633 
傳真電話: 027-8777 1786
電子郵箱: whhdgk@126.com

電力變壓器的絕緣性能試驗之交流耐壓試驗

您的位置:首頁 >> 服務支持 >> 技術文章

 交流耐壓試驗
    交流耐壓試驗是鑒定絕緣強度最有效的方法,特別對考核主絕緣的局部缺陷。如繞組主絕緣受潮、開裂、繞組松動、絕緣表面污染等,具有決定性作用。
    交流耐壓試驗對于10kV以下的電力變壓器每1~5年進行一次;對于66kV及以下的電力變壓器僅在大修后進行試驗,如現場條件不具備,可只進行外施工頻耐壓試驗;對于其他的電力變壓器只在更換繞組后或必要時才進行交流耐壓試驗。
    1.電力變壓器更換繞組后的交流耐壓試驗標準
    電力變壓器交流試驗電壓值(油浸式)

額定電壓(kV)

最高工作電壓(kV)

線端交流耐壓值(kV)
中性點交流耐壓值(kV)
全換繞組
部分換繞組
全換繞組
部分換繞組

<1

≤1

3
2.5
3
2.5
3
3.5
18
15
18
15
6
6.9
25
21
25
21
10
11.5
35
30
35
30
15
17.5
45
38
45
38
20
23.0
55
47
55
47
35
40.5
85
72
85
72
66
72.5
140
120
140
120
110
126
200
170(195)
95
80
220
252
300/395
306/336
85(200)
72(170)

 注:(1)定期試驗按部分換繞組電壓值;
        (2)括號內數值用于不固定接地或小電流接地系統;
        (3)干式變壓器定期試驗按出廠值85%進行。
    在變壓器注油后進行試驗時,需要靜置一定時間。通常500kV變壓器靜置時間大于72h,220kV變壓器靜置時間大于48h,110kV變壓器靜置時間大于24h.。
    出廠試驗電壓標準同全部更換繞組的電壓標準,而大修后的試驗電壓標準同部分更換繞組后試驗電壓標準。
    2.接線方法
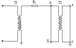
    進行交流耐壓試驗時,被試變壓器的正確接線方式是被試繞組所有套管應短路連接(短接)并接高壓,非被試繞組也要短接并可靠接地,如圖4-3所示,圖中只畫出了一組繞組。

變壓器交流耐壓試驗的正確接線方式
圖4-3 變壓器交流耐壓試驗的正確接線方式
T1---試驗變壓器;T2---被試變壓器

 當進行交流耐壓試驗時,變壓器的連接方式不正確,可能損壞被試變壓器絕緣。
    3.絕緣故障判斷
    在變壓器交流耐壓試驗時,除了發生擊穿可以判斷變壓器存在絕緣故障外,還可以根據試驗過程中的一些異常現象來判斷是否存在隱含的絕緣缺陷:
    (1)在升壓階段或持續時間階段,發生清脆、響亮的“當”、“當”放電聲音,這種聲音很像金屬物撞擊油箱的聲音,這往往是由于油隙距離不夠或者是電場畸變等所造成的油隙一類絕緣結構擊穿所致。而且此時還伴有放電聲,電流表指示值產生突變。當重復進行試驗時,放電電壓下降并不明顯。
    (2)試驗中,若發生較小的“當”、“當”放電聲,且儀表擺動不大,在重復試驗時放電現象卻消失了。這往往是變壓器油中有氣泡,在電場力的作用下,可能形成一條一定長度的很狹窄的氣隙通道,由于氣泡的耐電強度比油低,當氣隙通道發展到一定長度時,將可能導致氣隙通道擊穿,最后導致變壓器油擊穿。如果變壓器油中氣泡不多,氣隙通道放電后縮短了,這時氣泡被擊穿后,變壓器油可能不再擊穿。這種局部擊穿所出現的放電聲音,可能是輕微、斷續的,電流表的指示值也不會變動。由氣泡所引起的無論是貫穿性的或者是局部性的放電,在重復試驗中可能會消失,因為在放電后,氣泡容易從上部逸走。
    (3)在加壓過程中,變壓器內部有炒豆般的放電聲,而電流表的指示值還很穩定,這可能是由于懸浮的金屬件對地放電所致。在制造過程中,鐵心可能沒有和夾件通過金屬片連接,使鐵心在電場中懸浮,由于靜電感應的作用,在一定電壓下,鐵心對接地的夾件就開始放電。


有關產品購買、信息咨詢、技術資料等歡迎致電:027-87771780

來源:華電高科官方網站

上一篇: 電力變壓器的絕緣性能試驗之介質損耗角正切測量
下一篇: 電力變壓器的絕緣性能試驗之變壓器油中水分測量
版權說明:本站所有文章、圖片、視頻等資料的版權均屬于武漢華電高科電氣設備有限公司,其他任何網站或單位未經允許禁止轉載、用于商業盈利,違者必究。如需使用,請與我們聯系;允許轉載的文章、圖片、視頻等資料請注明出處"來自:武漢華電高科"。

榮譽客戶

榮譽資質

?
<!--百度商橋代碼(2019-7-16添加)-->